8 (495) 134-28-88
Статьи
#
Для объектов любой сложности
Главная > Услуги > Проектирование
Проектирование
Воплощаем вашу задачу сначала в тщательно продуманный проект системы промышленной вентиляции, а затем — в эффективное решение для вашего объекта. В компании «СВОК Инжиниринг» работают высококвалифицированные инженеры с профильным техническим образованием, способные разработать оптимальную вентиляционную систему, учитывающую все ваши требования и специфику производства.

Наша команда уделяет внимание каждой детали: от расчёта воздухообмена и выбора оборудования до адаптации под условия эксплуатации. Мы учитываем
все технологические особенности, чтобы ваша система вентиляции обеспечивала безопасность, комфорт и соответствие нормам на долгие годы, а итоговая стоимость внедрения полностью соответствовала вашим ожиданиям.
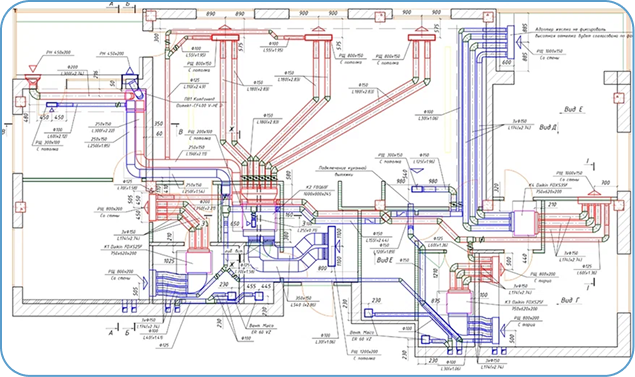
Проект 1
Проект 2
8 (495) 134-28-88
Статьи
Для объектов любой сложности
Главная > Услуги > Проектирование
Проектирование
Воплощаем вашу задачу сначала в тщательно продуманный проект системы промышленной вентиляции, а затем — в эффективное решение для вашего объекта. В компании «СВОК Инжиниринг» работают высококвалифицированные инженеры с профильным техническим образованием, способные разработать оптимальную вентиляционную систему, учитывающую все ваши требования и специфику производства.

Наша команда уделяет внимание каждой детали: от расчёта воздухообмена и выбора оборудования до адаптации под условия эксплуатации. Мы учитываем
все технологические особенности, чтобы ваша система вентиляции обеспечивала безопасность, комфорт и соответствие нормам на долгие годы, а итоговая стоимость внедрения полностью соответствовала вашим ожиданиям.
Проект 2
Проект 1
Проект 2
Теплоснабжение
Электроснабжение
Вентеляция
Кондиционирование
Отопление
ЧТО
ПРОЕКТИРУЕМ?
МЫ
Мы выполняем полный комплекс проектных работ по инженерным системам зданий, включая отопление, вентиляцию и кондиционирование, внутренние сети электроснабжения и системы теплоснабжения.

Наши специалисты разрабатывают решения любой сложности
от частных объектов до промышленных предприятий — обеспечивая точные расчёты, подбор оборудования, подготовку всей необходимой документации и полное соответствие действующим нормативам.
Документы, которые заказчик получает после сдачи системы
Пакет документов
  • Техническое задание (ТЗ)



  • Архитектурно-строительная документация



  • Технологическая документация (для предприятий)


Требования к проекту вентиляции или кондиционирования, режимы работы, особенности объекта.

Поэтажные планы, экспликации помещений, разрезы, высотные отметки.

Сведения о технологическом процессе, тепловыделениях и
специфике оборудования.
Поэтажные планы, экспликации помещений, разрезы, высотные отметки.
Сведения о технологическом процессе, тепловыделениях и специфике оборудования.
Требования к проекту вентиляции или кондиционирования, режимы работы, особенности объекта.
Все ключевые шаги - от заявки до итоговой документации
Этапы проектирования
Сбор данных
Инженерные расчёты
Проектная документация
Обмеры и анализ объекта
Подбор оборудования
Получаем исходные данные, заключаем договор
Расчёт воздухообменов, мощности оборудования,
массы системы
Выезд инженера, замеры
на объекте,уточнение деталей
и особенностей здания
Выбираем вентиляторы, кондиционеры, воздуховоды и материалы под проект
Готовим чертежи,
аксонометрические схемы, спецификации
Ответы на важные вопросы о проектировании
Частые вопросы
#
Получите бесплатную консультацию от наших инженеров
Оставить заявку
Отправить заявку
Портфолио
Статьи
8 (495) 134-28-88
Контакты
© 2025 Общество с ограниченной ответственностью «СВОК Инжиниринг»
115230, г. Москва, проезд Электролитный, д.3,
стр.84, этаж 1, к.12 - фактический адрес
115230, г. Москва, проезд Электролитный, д.3,
стр.84, этаж 1, к.12 - юридический адрес
ИНН: 7726432317
КПП: 772601001
Пн-Пт: 9:00 — 18:00
Cб-Вс: выходной
8 (495) 134-28-88
svok_eng@mail.ru
© 2025 Общество с ограниченной ответственностью «СВОК Инжиниринг»
115230, г. Москва, проезд Электролитный, д.3,
стр.83, этаж 1, к.12 - фактический адрес
115230, г. Москва, проезд Электролитный, д.3,
стр.84, этаж 1, к.12 - юридический адрес
ИНН: 7726432317
КПП: 772601001
Пн-Пт: 9:00 — 18:00
Cб-Вс: выходной
Контакты
Этот сайт использует cookie для корректной работы и аналитики. Продолжая просмотр, вы соглашаетесь с использованием cookie.
Хорошо
Made on
Tilda